Joint Spi d’Huile Embase Alpha One Gen 1 et 2 Mercruiser
Joint spi d’huile, conçu pour les embases Alpha One Gen 1 et 2 Mercruiser.
Ce composant essentiel empêche les fuites d’huile, assurant ainsi un fonctionnement optimal de votre transmission.
Description et Fonctionnement
Le joint spi d’huile joue un rôle crucial dans l’étanchéité des systèmes de transmission marine.
Il empêche l’huile de s’échapper tout en protégeant l’embase des infiltrations d’eau, garantissant ainsi une lubrification efficace des composants internes.
Un joint défectueux peut entraîner des fuites d’huile, une usure prématurée et une perte de performance du moteur.
Caractéristiques et Avantages du Joint Spi d’Huile Embase Alpha One Gen 1 et 2
- Étanchéité optimale : Empêche les fuites d’huile et les infiltrations d’eau, protégeant ainsi les engrenages et les roulements.
- Compatibilité parfaite : Spécifiquement conçu pour les embases Alpha One Gen 1 et 2 Mercruiser, assurant une installation facile et sans modification.
- Matériaux haute résistance : Conçu pour résister aux conditions marines, à la chaleur et aux frottements, garantissant une longévité accrue.
- Protection du système de transmission : Maintient une lubrification efficace, réduisant l’usure et prolongeant la durée de vie des composants internes.
- Installation simplifiée : Dimensions précises pour un montage rapide et sécurisé, assurant une parfaite adaptation aux embases Mercruiser.
Compatibilité
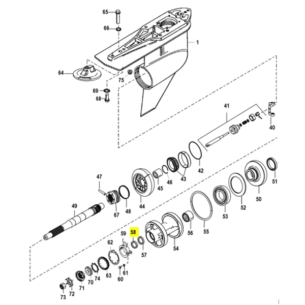
Référence : REC26-12224
- Mercruiser : 12224, 26-12224, 26-127091, F697118;
- OMC : 0509225
Voir aussi : REC26-76868
Se monte sur :
- ALPHA ONE SS 1986-1989
- SSM II/III/IV/V 1982-1995
- ALPHA ONE (GEN.II) 1996-1997
- ALPHA ONE (GEN.II) 1991-1995
- ALPHA ONE (GEN.II) 1998 AND UP
- ALPHA ONE (GEN.II) 1998 AND UP
Guide d’Installation et d’Entretien
- Préparation : Assurez-vous que le moteur est éteint et que l’embase est bien stabilisée pour l’intervention.
- Retrait de l’ancien joint : Retirez l’ancien joint spi avec précaution en évitant d’endommager les surfaces d’appui.
- Installation du nouveau joint : Insérez le joint spi en veillant à bien aligner et enfoncer uniformément pour éviter toute fuite.
- Vérification et test : Vérifiez l’étanchéité en faisant tourner l’embase et en inspectant l’absence de fuite d’huile après installation.
Marine Motors, spécialiste du moteur inboard remanufacturé depuis plus de 15 ans dans l’importation de moteurs depuis les États-Unis.
Marine Motors est l’un des acteurs les plus expérimentés et passionnés de l’industrie nautique.
Nous sommes spécialisés dans la vente de moteurs inboard et de pièces détachées pour bateaux.
Notre équipe de professionnels qualifiés est prête à répondre à toutes vos questions et à vous guider dans le choix de votre moteur inboard ou de toutes autres pièces détachées bateaux.
Marine Motors, Distributeur officiel Mercury / Mercruiser
Personne ne comprend mieux les performances marines que votre distributeur agréé Mercury / Mercruiser .
Nous disposons d’experts prêts à vous aider à tirer le meilleur parti du temps que vous passez sur l’eau.
Que vous soyez à la recherche d’un nouveau moteur ou d’une pièce détachée d’origine, votre distributeur Mercury est là pour vous à chaque étape.












Valoraciones
No hay valoraciones aún.